|
|
|
DOCK BUMPERS IN BC AND ALBERTA CANADA
 |
Please contact us for a Dock Bumpers quote.
Commercial Grade Dock and Boat
Protection System |
- Extra rugged design to withstand heavy impact.
- Will not crack, rot, or deteriorate when exposed to temperature
extremes.
- Unafftected by oil, gas, or saltwater.
- UV inhibitor prevents yellowing and discoloring from sunlight.
- Fungus resistant.
|
Seven Commercial Profiles Available.
Comes in 10 foot lengths, boxed and crated, in black or white. EdgePro®
Dock Edging is made from durable marine grade, flexible PVC.
It will not crack, rot or deteriorate when exposed to temperature
extremes and is resistant to oil, gas, and saltwater. The UV
inhibitors prevent yellowing and deterioration from sunlight.
EdgePro®'s extra rugged
design withstands heavy impact.
Dock Bumpers can be attached using our Stainless Ring Shank Nails.
|
|

|
#5000
Light duty, two channel design with 90 degree lip. Mounts
horizontally.
|
|

|
#5001
Heavy duty, three channel design with 90 degree lip. Mounts
horizontally.
|
|

|
#5002
Larger version of #5001. Mounts horizontally.
|
|

|
#5005
Extra rugged, four channel design with extended 90 degree
lip. Mounts horizontally.
|
|

|
#5006
Larger version of #5005 with extended 90 degree lip. Mounts
horizontally.
|
 |
|
#5007 - Sturdy, four channel design which mounts
horizontally or vertically. |
 |
|
#5008 - Larger version of #5007. Mounts horizontally
or vertically. |
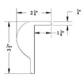
DOCK CORNERS
 |
Designed to compliment Dimex’s Edge-Pro brand rubrail series 5000 through 5006 profiles as well as other P shape models.
Available in white, black and gray (solid color throughout). Material is marine grade PVC, non-marking.
Model #UC SCCB
 
  |
Please contact us for a Dock Bumpers quote.
|
|
|
Related items that you may need. Click to view.
 Build-A-Dock
 Dock Hardware
 Ace Floats
|